Productcode: 5963384
Beschikbaar:
Op voorraad

€51,53
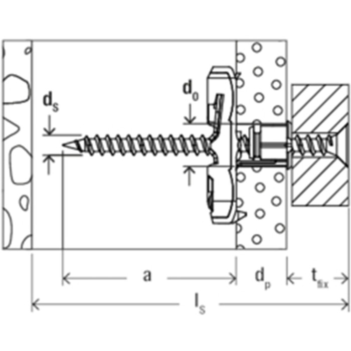
De nylon tuimelplug fischer DuoTec voor hoge trek- en dwarskrachten door 2 componenten. Gemakkelijke montage met een geringe boorgatdiameter van 10mm en kort tuimelelement ook in nauwe en ge?soleerde holle ruimten. Gemakkelijk voormontage, de plug valt ook zonder schroef niet in het boorgat. De DuoTec snijdt niet in de gipsplaat waardoor deze zijn maximale stevigheid behoudt. Het tuimelelement gaat achter de plaat automatisch open waardoor het draagvermogen wordt ontplooid. Door de flexibele schroefbevestiging van roestvast staal kan de tuimelplug met hout- of spaanplaatschroeven of metrische haak- en draadstangen met contramoer worden gebruikt. Wanneer het gat in massieve bouwmaterialen is geboord werkt de plug als een spreidplug.
Boordiameter10 mm
Pluglengte50 mm
Min. boorgatdieptels - tfix + 10 mm
Max. nuttige lengtels - 55 mm
Schroeflengte= dp + tfix +20 mm
Schroefdiameter4,5 - 5,0 mm
Min. plaatdikte9,5 mm
Max. plaatdikte55 mm
Min. diepte van de holle ruimte40 mm
Min. schroeflengtetfix + 55 mm
Uitvoeringzonder schroef
Pluggen materiaalKunststof
VDS-ApprovalJa
Profi / DIYProfi
BouwmateriaalPlaatmateriaal